Zhejiang Baide Automation's AW scotch yoke actuators are available in both single-acting and double-acting configurations, providing a 90° swing motion for opening and closing operations. We have full production capabilities for all models and specifications, and also offer custom-made pneumatic actuator solutions to meet unique customer requirements for specialized applications. Zhejiang Baide ensures superior product performance and long-term reliability through precision manufacturing processes and the use of high-standard materials.
Product Main Dimensions
Model: AW13S~AW600S
Model Meaning: AW—Pneumatic actuator type, 13—Cylinder bore diameter, S-single-acting
Working Stroke: 90°±5°
End Adjustment: ±5°
Suitable Air Supply: 0.4~0.7MPa (Maximum 1.0MPa)
Output Torque: 462~98000Nm (Output torque varies with supply pressure)
Operation Type: Single-acting
Ambient Temperature:
Standard Type: -20°C to 80°C
High-Temperature Type: -15°C to 180°C
Low-Temperature Type: -50°C to 80°C
Must be confirmed at time of order!
Solenoid Valve Power Supply: AC220V or DC24V (Customizable upon request)
| AW Single-action Output Torque (Nm) | ||||||||||
| Model | Spring Output Torque | Air source pressure Mpa | ||||||||
| 0.4MPa | 0.5MPa | 0.6MPa | 0.7MPa | |||||||
| 0° | 90° | 0° | 90° | 0° | 90° | 0° | 90° | 0° | 90° | |
| AW13S | 462 | 280 | 519 | 337 | 719 | 537 | 918 | 736 | ||
| AW17S | 1024 | 650 | 1060 | 690 | 1488 | 1118 | 1916 | 1564 | ||
| AW20AS | 1336 | 799 | 1380 | 805 | 1870 | 1333 | 2404 | 1867 | ||
| AW20S | 2328 | 1450 | 2371 | 1493 | 3327 | 2449 | 4280 | 3402 | ||
| AW25S | 4110 | 2540 | 4310 | 2770 | 5174 | 4520 | 7700 | 6280 | ||
| AW28S | 5362 | 3500 | 5660 | 3800 | 7950 | 6090 | 10237 | 8377 | ||
| AW355S | 12300 | 7380 | 12386 | 7467 | 17320 | 12422 | 22254 | 17337 | 27188 | 22332 |
| AW355SS | 17500 | 10000 | 18644 | 11120 | 25859 | 18183 | 33073 | 25247 | 40288 | 23210 |
| AW490S | 28020 | 16740 | 24451 | 16212 | 34214 | 27045 | 43977 | 37887 | 53741 | 48709 |
| AW600S | 48100 | 34100 | 43257 | 31306 | 61744 | 50189 | 80232 | 69073 | 98719 | 87956 |
Product Main Dimensions
| AW配件图 | |
| Parts and material | |
| NO. | Spare Part |
| 1 | Output shaft |
| 2 | Adjustable thread |
| 3 | Cylinder body |
| 4 | Connection size |
| 5 | Cylinder block |
| 6 | Spring steel |
| 7 | Hand lever |


| AW13S~AW28S Single-action External Dimension | |||||||||||||||
| Model | L | L1 | L2 | H | Rc-g | m1 | m2 | D | D1 | n-M | K | D2 | F | A | B |
| AW13S | 870 | 324 | 546 | 185 | 3-1/4" | 88 | 132 | φ175 | φ140 | 4-M16 | □27 Depth 30 | φ100 | 4 | 30 | 80 |
| AW17S | 988 | 378 | 610 | 240 | 3-3/8" | 105 | 175 | φ205 | φ165 | 4-M20 | □36 Depth 40 | φ120 | 4 | 30 | 130 |
| AW20AS | 1263 | 378 | 885 | 240 | 3-3/8" | 105 | 175 | φ205 | φ165 | 4-M20 | □36 Depth 40 | φ120 | 4 | 30 | 130 |
| AW20S | 1415 | 530 | 885 | 285 | 3-3/8" | 115 | 232 | φ230 | φ165 | 4-M20 | □46 Depth 50 | φ130 | 4 | 30 | 130 |
| AW25S | 1695 | 655 | 1040 | 360 | 3-1/2" | 150 | 278 | φ300 | φ254 | 8-M16 | □55 Depth 60 | φ200 | 4 | 30 | 130 |
| AW28S | 1840 | 680 | 1160 | 360 | 3-1/2" | 150 | 300 | φ350 | φ298 | 8-M20 | □55 Depth 60 | φ230 | 4 | 30 | 130 |

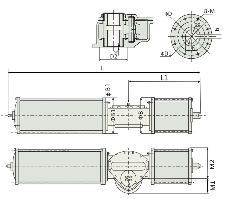
| AW355S~AW600S Single-action External Dimension | ||||||||||||||
| Model | L | L1 | B | B1 | m1 | m2 | D | D1 | D2 | d | h | b | 8-M | Air interface Rc-g |
| AW355S | 2518 | 963 | 440 | 440 | 175 | 370 | 350 | 298 | 230 | 100 | 106.4 | 28 | 8-M20 | RC1/2 |
| AW355SS | 2710 | 1015 | 572 | 440 | 175 | 395 | 350 | 298 | 230 | 100 | 106.4 | 28 | 8-M20 | RC1/2 |
| AW490S | 3050 | 1100 | 572 | 572 | 200 | 466 | 415 | 356 | 260 | 120 | 127.4 | 32 | 8-M30 | RC3/4 |
| AW600S | 3620 | 1305 | 700 | 700 | 250 | 570 | 475 | 406 | 300 | 140 | 148.4 | 36 | 8-M36 | RC3/4 |
